You’re offline. This is a read only version of the page.
Skip to main content
Tektronix, Inc.
Toggle navigation
Products
Solutions
Calibration & Services
Support
Support
TekTalk
All
All
Forums
Search Filter
Forums
Enter your search term. Use asterisk (*) as a wildcard character.
English
English
Việt Nam
русский
中文(台灣)
中文(中国)
日本語
한국어
français
Deutsch
Login
Home
TekTalk
Oscilloscopes
MSO58 VRMS Measurement
MSO58 VRMS Measurement
Posted
Thu, 20 Mar 2025 11:00:36 GMT
by
Grapengeter, Jan Felix
I am trying to measure Vrms of a signal on a MSO58-Oscilloscope. I am trying to measure the ripple voltage of a signal. The Oscilloscope has multiple ways to measure Vrms, each of which show a different value. I would like to know why that is.
The DPM-Measurement also depends on the selected Frequency. Why is that, what is the formula for calculating the ripple?
Tek000.png (258.5 KB)
Posted
Wed, 26 Mar 2025 15:14:38 GMT
by
F., Massimiliano
the measurement algorithms are described in the Help-Manual, in the section "Measurement algorithms".
4, 5, 6 Series MSO Help | Tektronix
I'll send you an e-mail with details
Posted
Thu, 27 Mar 2025 09:37:36 GMT
by
Grapengeter, Jan Felix
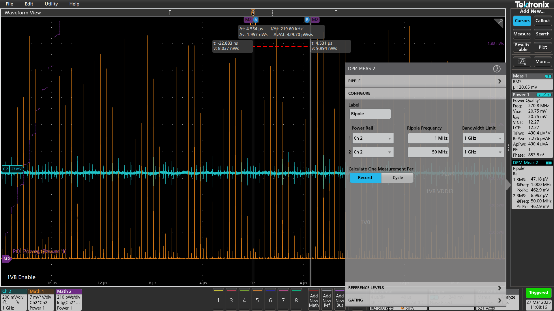
Thank you. I am still unsure though what exactly The "Ripple Frequency" parameter does for DPM-measurements. The values also seem to depend on the horizontal time scale.
Tek001.png (236.5 KB)
Posted
Mon, 31 Mar 2025 12:09:25 GMT
by
F., Massimiliano
let's follow up via e-mail.
I sent you one on 26/03
You must be signed in to post in this forum.